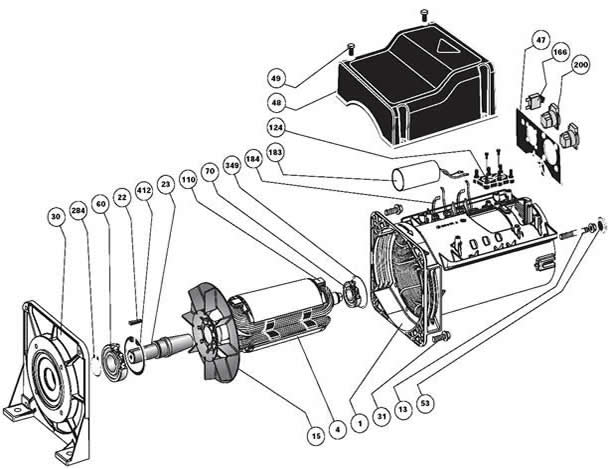
Однофазные синхронные генераторы LSA 36 Leroy Somer
LSA 36 2-х полюсный однофазный - одноопорное исполнение под конус

|
№
|
Кол-во
|
Наименование
|
|
1
|
1
|
Сборка статора
|
|
4
|
1
|
Сборка ротора
|
|
13
|
1
|
Резьбовая шпилька
|
|
15
|
1
|
Вентилятор
|
|
31
|
4
|
Болты
|
|
47
|
1
|
Задняя стенка коробки выводов
|
|
48
|
1
|
Крышка коробки выводов
|
|
49
|
4
|
Винты крышки коробки выводов
|
|
53
|
1
|
Заглушка
|
|
70
|
1
|
Пошипник неприводного конца
|
|
110
|
2
|
Диоды
|
|
124
|
1
|
Клеммный блок
|
|
166
|
1
|
Автоматический выключатель
|
|
167
|
1
|
Диодный вольтметр (опция)
|
|
183
|
-
|
Конденсатор
|
|
184
|
-
|
Держатели
|
|
200
|
-
|
Однофазная розетка
|
|
201
|
-
|
3-х фазная розетка (в зависимости от набора)
|
|
265
|
1
|
Стыковочный фланец
|
|
286
|
3
|
12/24 V клеммы (опция)
|
|
349
|
1
|
‘O’ кольцевое уплотнение
|
LSA 36 2-х полюсный однофазный - одноопорное исполнение с диском

|
№
|
Кол-во
|
Наименование
|
|
1
|
1
|
Сборка статора
|
|
4
|
1
|
Сборка ротора
|
|
13
|
1
|
Резьбовая шпилька
|
|
15
|
1
|
Вентилятор
|
|
23
|
1
|
Дополнение вала
|
|
31
|
4
|
Болты
|
|
47
|
1
|
Задняя стенка коробки выводов
|
|
48
|
1
|
Крышка коробки выводов
|
|
49
|
4
|
Винты крышки коробки выводов
|
|
53
|
1
|
Заглушка
|
|
70
|
1
|
Пошипник неприводного конца
|
|
110
|
2
|
Диоды
|
|
124
|
1
|
Клеммный блок
|
|
166
|
1
|
Автоматический выключатель
|
|
167
|
1
|
Диодный вольтметр (опция)
|
|
183
|
-
|
Конденсатор
|
|
184
|
-
|
Держатели
|
|
200
|
-
|
Однофазная розетка
|
|
201
|
-
|
3-х фазная розетка (в зависимости от набора)
|
|
265
|
1
|
Стыковочный фланец
|
|
286
|
3
|
12/24 V клеммы (опция)
|
|
322
|
1
|
Стыковочный диск
|
|
323
|
6
|
Болты
|
|
324
|
1
|
Уплотнительная шайба
|
|
349
|
1
|
‘O’ кольцевое уплотнение
|
LSA 36 2-х полюсный однофазный - двухопорное

|
№
|
Кол-во
|
Наименование
|
|
1
|
1
|
Сборка статора
|
|
4
|
1
|
Сборка ротора
|
|
13
|
1
|
Резьбовая шпилька
|
|
15
|
1
|
Вентилятор
|
|
22
|
1
|
Шпонка
|
|
23
|
1
|
Дополнение вала
|
|
30
|
1
|
Подшипниковый щит приводного конца
|
|
31
|
4
|
Болты
|
|
47
|
1
|
Задняя стенка коробки выводов
|
|
48
|
1
|
Крышка коробки выводов
|
|
49
|
4
|
Винты крышки коробки выводов
|
|
53
|
1
|
Заглушка
|
|
60
|
1
|
Подшипник приводного конца
|
|
70
|
1
|
Подшипник неприводного конца
|
|
110
|
2
|
Диоды
|
|
124
|
1
|
Клеммный блок
|
|
166
|
1
|
Автоматический выключатель
|
|
167
|
1
|
Диодный вольтметр (опция)
|
|
183
|
-
|
Конденсатор
|
|
184
|
-
|
Держатели
|
|
200
|
-
|
Однофазная розетка
|
|
201
|
-
|
3-х фазная розетка (в зависимости от набора)
|
|
284
|
1
|
Фиксатор
|
|
286
|
3
|
12/24 V клеммы (опция)
|
|
349
|
1
|
‘O’ кольцевое уплотнение
|
|
412
|
1
|
Фиксатор
|